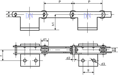
一、取料机链条(带导向板)简图:

二、取料机链条(带导向板)安装尺寸与技术特性表:
链号Chain Number |
节距Pmm |
内节内宽b1mm |
滚子直径d1mm |
销轴直径d2mm |
链板高度hmm |
平台高度h1mm |
横向距离fmm |
附件孔距gmm |
附件孔径d3mm |
抗拉载荷QKN |
备注Note |
701 |
250 |
32 |
60 |
18 |
45 |
130 |
83 |
100 |
17 |
197 |
63.18 05030A 2127A |
702 |
250 |
62 |
100 |
30 |
80 |
120 |
90 |
85 |
18.5 |
450 |
|
703 |
250 |
32 |
60 |
18 |
50 |
130 |
83 |
100 |
17 |
240 |
171 |
704 |
250 |
42 |
80 |
24 |
60 |
150 |
83 |
100 |
21 |
520 |
203 375 |
705 |
250 |
50 |
90 |
28 |
75 |
130 |
100 |
100 |
25 |
750 |
336 416 |
706 |
270 |
36 |
90 |
19.6 |
50 |
100 |
78.5 |
100 |
16.5 |
400 |
1803 |
707 |
270 |
36 |
90 |
25 |
60 |
100 |
78 |
100 |
15 |
450 |
1302 |
708 |
315 |
50 |
120 |
36 |
80 |
140 |
89.5 |
130 |
21 |
615 |
0204 |



